1.Applications
QJX2 series star delta reduced voltage starter is suitable for starting 3-phase squirrel-cage motorin the circuit of AC 50/60Hz, under AC3 utilization category, rated operational voltage 660V andcontrollable power 80W. And it can be used to control start motor stator windings, which changeovelstart, run and stop from “wye” to “Delta Type”, lf used with corresponding thermal overload relay.it will realize the function of overload and phase-failure protection for electric motor.This product is not suitable for reversible change and AC-4 Utilization categoryThis product conformms to GB14048.4、IEC60947-4-1 standard.
2.Model And Meaning
QJ X 2- □
QJ : Star-delta reduced voltage starter
X : Miniature
2- : Design sequence
□ : A: Rated operating current of maximum contactor
3.Normal Running And Installation Conditions
3.1 Ambient air temperature:-5℃~ +40℃, the average value should not exceed +35’℃ within 24 hours.
3.2 Elevation: at most 2000m.
3.3 Atmospheric conditions: When the temperature at 40, the relative humidity of atomsphere should beat the most 50%. When at relatively low temperatures, it could have higher relative humidity. Monthlymaximum relative humidity could be not more than 90%. Special measures should be taken due tooccurrence of dews.
3.4 Class of pollution:Class 3
3.5 Installation category: Ⅲ
3.6 Installation conditions: Degree of inclination between fiting surface and vertical surface should notexceed3.7 lmpact shock: Product should be installed and used in the place where often shakes and impacts.
4. Matching Table Of Technical Parameter And Starter
| ltem | Parameter | QJX2-12 | QJX2-18 | QJX2-25 | QJX2-32 | QJX2-40 | QJX2-50 | QJX2-65 | QJX2-80 | QJX2-95 |
| Main return circuit of contactor |
lsolationKM2 | CJX2-1210 | CJX2-1810 | CJX2-2510 | CJX2-3210 | CJX2-4011 | CJX2-5011 | CJX2-6511 | CJX2-8011 | CJX2-9511 |
| A Work KM3 | CJX2-1201 | CJX2-1801 | CJX2-2501 | CJX2-3201 | CJX2-4011 | CJX2-5011 | CJX2-6511 | CJX2-8011 | CJX2-9511 | |
| Y Work KM1 | CJX2-0901 | CJX2-1201 | CJX2-1201 | CJX2-2501 | CJX2-2501 | CJX2-4011 | CJX2-4011 | CJX2-5011 | CJX2-6511 | |
| Thermal overload relay |
Current selting range(A) | 9-13 | 12-18 | 17-25 | 23-32 | 30-40 | 37-50 | 48-65 | 63-80 | 80-95 |
| Modle | JRS4-1316 | JRS4-1321 | JRS4-1322 | JRS4-2353 | JRS4-3355 | JRS4-3357 | JRS4-3359 | JRS4-3363 | JRS4-3365 | |
| Controlling power of motor(Kw) |
220V | 5.5 | 7.5 | 11 | 15 | 18.5 | 25 | 30 | 40 | 40 |
| 380V | 11 | 15 | 18.5 | 25 | 33 | 45 | 55 | 75 | 80 | |
| 415V | 11 | 15 | 22 | 25 | 37 | 45 | 59 | 75 | 80 | |
| 660V | 11 | 22 | 25 | 30 | 37 | 5 | 59 | 75 | 80 | |
| Rated operating current(A)(AC-3)380V | 20 | 31 | 43 | 55 | 69 | 86 | 112 | 138 | 164 | |
| Matching fusing model | 20 | 32 | 50 | 63 | 80 | 100 | 125 | 160 | 200 | |
| Unit weight(kg) | 1.5 | 1.7 | 1.8 | 2 | 4.36 | 4.36 | 4.36 | 5.2 | 5.2 | |
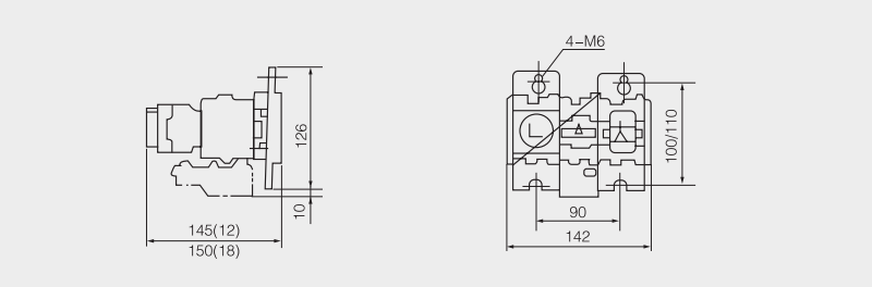
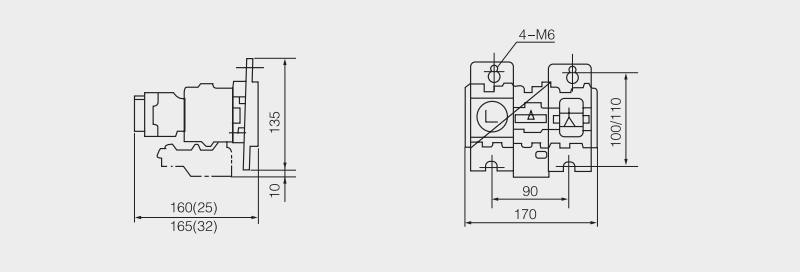
5.Overall And Mounting Dimensions
Photo 1 QJX2-12,18

Photo 2 QJX2-25,32

Photo 3 QJX2-40,50,65

Photo 4 QJX2-80, 95

6.Wiring Scheme
Photo 5

Photo 6

7.Controlling Circuit
When ordering, you should point out the below:
Model, rated operational voltage and frequency of coil and quantity
Example: Star delta reduced voltage starter QJX2-40 220V 50Hz 60PCS
Q:Can I become an Agent / Dealer?
A:Welcome! But please let me know your Country/Area fisrt,We will have a check and then talk about this.If you want any other kind of cooperation,do not hesitate to contact us.
Q:How’s the delivery time ?
A:It usually will spend about 5-25 days to product.
Q:Can I get a sample for test before place order?
A :Of course!
Q:What’s the kind of material of circuit breaker?
A:We have two types, one copper coil with silver point , brass coil with copper point.
Q:Are there any warranty for your item ?
A:We provide one year of warranty for the products. Please feel assured.
Q:. What about the standard of package?
A:For inner boxes and master cartons are made as per international standard.