1.Application
QCX2 series magnetic starter is suitable for starting and stopping 3-phase squirrel-cage motor in the circuit of AC 50/60Hz, rated insulation voltage 690v, under AC3 utilization category, rated op-erational voltage 380V, rated operational current range from 9A to 95A. The magnetic starter with thermal overload relay are protect AC 3-phase motor against overland and phase losing.
2. Model And Meaning
QC X 2 – □
QC : Magnetic starter
X : Miniature
2 : Design sequence No
□ : Rated operational current ( AC-3 380V )
3. Normal Running And Installation Conditions
3.1 Ambient air temperature: -5℃~ +40℃, the average value should not exceed +35℃ within 24 hours3.2 Elevation: at most 2000m.
3.3 Atmospheric conditions: When the temperature at 40, the relative humidity of atomsphere should beat the most 50%. When at relatively low temperatures, it could have higher relative humidity. Monthlymaximum relative humidity could be not more than 90%. Special measures should be taken due tooccurrence of dews.
3.4 Class of pollution: Class 3
3.5 Installation category: Ⅲ
3.6 lnstallation conditions: Degree of inclination between fiting surface and vertical surface should notexceed
3.7 lmpact shock: Product should be installed and used in the place where often shakes and impacts
4.Type Of Construction
Magnetic starter has a case with protection category lP65, jRS4 thermal overload relay connect with terminals through three wires, and fix together with CX2 contactor. There are two buttons on the case, green one is “tumn on”,red one is “turn off” or “reset”
5. Main Technical Parameter
| Conven-tional heating current(A) |
Power of controllable 3-phase squirrel-cage motor(kW)AC-3 |
Average power con-sumption VA(20℃)50Hz | Unit weight (kg) | |||
| 220V | 380V | 660V | Pick-up | Holding | ||
| 20 | 2.2 | 4 | 5.5 | 76 | 9.4 | 0.9 |
| 20 | 3 | 5.5 | 7.5 | 76 | 9.4 | 0.9 |
| 32 | 4 | 7.5 | 10 | 76 | 9.4 | 0.92 |
| 40 | 5.5 | 11 | 15 | 110 | 11 | 1.3 |
| 50 | 7.5 | 15 | 18.5 | 110 | 11 | 1.33 |
| 60 | 11 | 18.5 | 30 | 230 | 32 | 3.65 |
| 80 | 15 | 22 | 33 | 230 | 32 | 3.65 |
| 80 | 18.5 | 30 | 37 | 230 | 32 | 3.65 |
| 110 | 22 | 37 | 45 | 230 | 32 | 3.8 |
| 110 | 25 | 45 | 55 | 230 | 32 | 3.8 |
6. Overall And Mounting Dimensions
Photo 1 QCX2-09~18

Photo 2 QCX2-25~32

Photo 3 QCX2-40~95

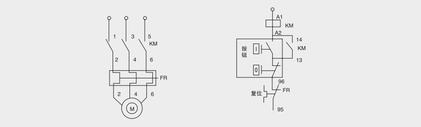
7. Wiring Scheme

8. Controlling Circuit
When ordering, you should point out the below:
Model, rated operational voltage and frequency of coil and quantity
Example: Magnetic starter QCX2-40 220V 50Hz 60PCS