1.Application
CJX2-N series reversing contactor is suitable for using in the circuits of AC 50Hz or 60HZ, the ratedinsulation voltage 690V, rated current up to 800A, convertible controling the motor, it can avoidshort circuit when reversing. Combined with the thermal overload relay, it can protect overloadcircuit.
This product conforms to GB14048.4、1EC60947-4-1 standard.
2.Model And Meaning
CJ X 2 -□□□N□
CJ : AC contactor
X : Miniature
2 : Design sequence No.
□ : Rated operational current ( AC-3 380V )
□ : Number of N/C auxiliary contacts
□ : Number of N/C auxiliary contacts
N : Mechanical interlock
□ : Istallation method: S: Horizontal installation C:Vertical installation
3.Normal Running And Installation Conditions
3.1 Ambient air temperature: -5℃~ +40℃, the average value should not exceed +35℃ within 24hours.
3.2 Elevation: at most 2000m.
3.3 Atmospheric conditions: When the temperature at 40, the relative humidity of atomsphere shouldbe at the most 50%. When at relatively low temperatures, it could have higher relative humidityMonthly maximum relative humidity could be not more than 90%. Special measures should betaken due to occurrence of dews.
3.4 Class of pollution: Class 3
3.5 Installation category:Ⅲ
3.6 lnstallation conditions: Degree of inclination between fitting surface and vertical surface should not exceed
3.7 lmpact shock: Product should be installed and used in the place where often shakes and impacts.
4.Technical Parameter
● Tabel 1
| ltem / Parameter / Model | CJX2-09N | CJX2-12N | CJX2-18N | CJX2-25N | CJX2-32N | CJX2-40N | CJX2-50N | CJX2-65N | CJX2-80N | CJX2-95N | |
| Rated operational 380V AC-3 current(A) | 9 | 12 | 18 | 25 | 32 | 40 | 50 | 65 | 80 | 95 | |
| Power of control- lable 3-phase squirrel-cage motor(kW) AC-3 |
220V | 2.2 | 3 | 4 | 5.5 | 7.5 | 11 | 15 | 18.5 | 22 | 25 |
| 380V | 4 | 5.5 | 7.5 | 11 | 15 | 18.5 | 22 | 30 | 37 | 45 | |
| 660V | 5.5 | 7.5 | 10 | 15 | 18.5 | 30 | 33 | 37 | 45 | 55 | |
| Unit weight(Kg) | 3P | 0.72 | 0.72 | 0.72 | 1.11 | 1.18 | 2.49 | 2.52 | 2.55 | 2.96 | 2.97 |
● Tabel 2
| ltem / Parameter / Model | CJX2-115N | CJX2-150N | CJX2-170N | CJX2-205N | CJX2-245N | CJX2-300N | CJX2-410N | CJX2-475N | CJX2-620N | |
| Rated operational 380V AC-3 current(A) | 115 | 150 | 170 | 205 | 245 | 300 | 410 | 475 | 620 | |
| Power of control- lable 3-phase squirrel-cage motor(kW) AC-3 |
220V | 30 | 40 | 55 | 63 | 75 | 100 | 110 | 147 | 200 |
| 380V | 55 | 75 | 85 | 90 | 110 | 160 | 200 | 250 | 335 | |
| 660V | 80 | 90 | 100 | 110 | 129 | 220 | 280 | 330 | 450 | |
| Unit weight(Kg) | 3P | 4.32 | 4.32 | 4.32 | 9.9 | 10.2 | 18.4 | 18.7 | 24 | 38.8 |
● Tabel 3
| ltem / Parameter / Model | CJX2-F115N | CJX2-F150N | CJX2-F185N | CJX2-F225N | CJX2-F265N | CJX2-F330N | CJX2-F400N | CJX2-F500N | CJX2-F630N | CJX2-F800N | |
| Rated operational 380V AC-3 current(A) | 115 | 150 | 185 | 225 | 265 | 330 | 400 | 500 | 630 | 800 | |
| Power of control- lable 3-phase squirrel-cage motor(kW) AC-3 |
220V | 30 | 40 | 55 | 63 | 75 | 100 | 110 | 147 | 200 | 250 |
| 380V | 55 | 75 | 90 | 110 | 132 | 160 | 200 | 250 | 335 | 450 | |
| 660V | 80 | 100 | 110 | 129 | 160 | 220 | 280 | 330 | 450 | 470 | |
| Unit weight(Kg) | 3P | 7.7 | 8 | 9.9 | 10.2 | 15.3 | 18.4 | 18.7 | 24 | 38.8 | 44.2 |
| 4P | 9.4 | 10 | 10.1 | 12.9 | 18.8 | 22.3 | 22.9 | 29.6 | 47.6 | – | |
5.Overall And Mounting Dimensions
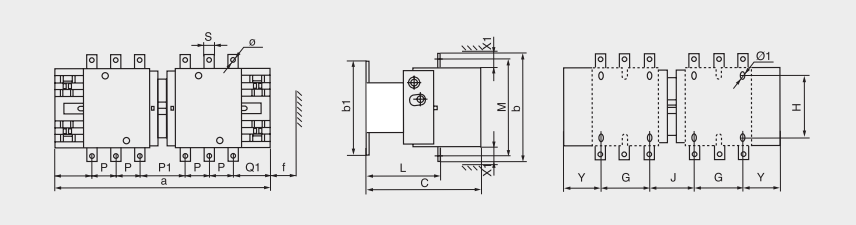
Photo 1 CJX2-09N~32N(Horizontal installation)

Photo 2 CJX2-40N~95N(Horizontal installation)

Photo 3 CJX2-115N~170N(Horizontal installation)

Photo 4 CJX2-F115N~F330N,CJX2-205N~300N(Horizontal installation)

Photo 5 CJX2-F400N~F500N,CJX2-410N~475N(Horizontal installation)

Photo 6 CJX2-F630N~F800N,CJX2-620N(Horizontal installation)

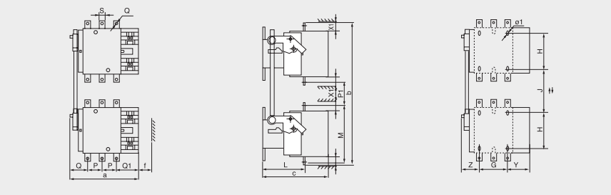
Photo 7 CJX2-F115N~F330N(Vertical installation)

Photo 8 CJX2-F400N~F500N(Vertical installation)

Photo 9 CJX2-F630N~F800N(Vertical installation)

Photo 10 CX2-F780N(Vertical installation)

CJX2-09N~170N(Horizontal installation) ● Tabel 4 (Unit: mm)
| Contactor Model | Amax | Bmax | Cmax | 9 | h | ø |
| CJX2-09N~12N | 81 | 106 | 85 | 95 | – | 4.5 |
| CJX2-18N | 81 | 106 | 87 | 95 | – | 4.5 |
| CJX2-25N | 94 | 129 | 100 | 112 | – | 4.5 |
| CJX2-32N | 96 | 129 | 103 | 112 | – | 4.5 |
| CJX2-40N~65N | 129 | 165 | 116 | 50 | 90 | 6.5 |
| CJX2-80N~95N | 129 | 185 | 127 | 57 | 96 | 6.5 |
| CJX2-115N~170N | 162 | 268 | 133 | 242/256 | – | 6.5 |
CJX2-F115N~F330N,CJX2-205N~300N(Horizontal installation) ● Tabel 5 (Unit: mm)
| Contactor Model | a | P | P1 | Q1 | S | Ø | f | b | b1 | M | C | L | G | J | H | 1 | Y | X1 | |
| ≤500V | >500V | ||||||||||||||||||
| CJX2-F115 | 346 | 37 | 78 | 60 | 15 | M6 | 109 | 162 | 137 | 147 | 171 | 107 | 80 | 72 | 120/106 | 6.5 | 57 | 10 | 15 |
| CJX2-F1154 | 420 | 37 | 78 | 60 | 15 | M6 | 109 | 162 | 137 | 147 | 171 | 107 | 80 | 109 | 120/106 | 6.5 | 75.5 | 10 | 15 |
| CJX2-F150 | 346 | 40 | 72 | 57.5 | 20 | M8 | 109 | 170 | 137 | 150 | 171 | 107 | 80 | 72 | 120/106 | 6.5 | 57 | 10 | 15 |
| CJX2-F1504 | 420 | 40 | 72 | 55.5 | 20 | M8 | 109 | 170 | 137 | 150 | 171 | 107 | 80 | 109 | 120/106 | 6.5 | 75.5 | 10 | 15 |
| CJX2-F185,205 | 357 | 40 | 78 | 59.5 | 20 | M8 | 117 | 174 | 137 | 154 | 181 | 113.5 | 80 | 78 | 120/106 | 6.5 | 59.5 | 10 | 15 |
| CJX2-F1854 | 437 | 40 | 78 | 59.5 | 20 | M8 | 117 | 174 | 137 | 154 | 181 | 113.5 | 80 | 118 | 120/106 | 6.5 | 79.5 | 10 | 15 |
| CJX2-F225,245 | 357 | 48 | 62 | 51.5 | 25 | M10 | 117 | 197 | 137 | 175 | 181 | 113.5 | 80 | 78 | 120/106 | 6.5 | 59.5 | 10 | 15 |
| CJX2-F2254 | 437 | 48 | 54 | 47.5 | 25 | M10 | 117 | 197 | 137 | 175 | 181 | 113.5 | 80 | 118 | 120/106 | 6.5 | 79.5 | 10 | 15 |
| CJX2-F265 | 424 | 48 | 99 | 66.5 | 25 | M10 | 143 | 203 | 145 | 178 | 213 | 141 | 96 | 109 | 120/106 | 6.5 | 61.5 | 10 | 15 |
| CJX2-F2654 | 520 | 48 | 99 | 66.5 | 25 | M10 | 143 | 203 | 145 | 178 | 213 | 141 | 96 | 157 | 120/106 | 6.5 | 85.5 | 10 | 15 |
| CJX2-F330,300 | 445 | 48 | 105 | 74 | 25 | M10 | 143 | 206 | 145 | 181 | 219 | 145 | 96 | 122 | 120/106 | 6.5 | 65.5 | 10 | 15 |
| CJX2-F3304 | 541 | 48 | 105 | 74 | 25 | M10 | 143 | 206 | 145 | 181 | 219 | 145 | 96 | 170 | 120/106 | 6.5 | 89.5 | 10 | 15 |
CJX2-F400N~F500N,CJX2-410N~475N(Horizontal installation) ● Tabel 6 (Unit: mm)
| Contactor Model | a | P | P1 | Q1 | S | Ø | f | b | b1 | M | c | L | G | G1 | J | H | Ø1 | Y | X1 | |
| ≤500V | >500V | |||||||||||||||||||
| CJX2-F400,410 | 445 | 48 | 105 | 74 | 25 | M10 | 151 | 206 | 209 | 181 | 219 | 145 | 80 | 170 | 156 | 170/170 | 8.5 | 19.5 | 15 | 20 |
| CJX2-F4004 | 541 | 48 | 105 | 74 | 25 | M10 | 151 | 206 | 209 | 181 | 219 | 145 | 80 | 170 | 156 | 170/170 | 8.5 | 67.5 | 15 | 20 |
| CJX2-F500,475 | 485 | 55 | 111 | 77 | 30 | M10 | 151 | 206 | 209 | 181 | 219 | 145 | 80 | 170 | 156 | 170/170 | 8.5 | 39.5 | 15 | 20 |
| CJX2-F5004 | 595 | 55 | 111 | 77 | 30 | M10 | 151 | 206 | 209 | 181 | 219 | 145 | 80 | 170 | 156 | 170/170 | 8.5 | 34.5 | 15 | 20 |
CJX2-F630N~F800N,CJX2-620N(Horizontal installation) ● Tabel 7 (Unit: mm)
| Contactor Model | a | P | P1 | Q1 | S | ø | f | b | b1 | M | C | L | G | J | H | Ø1 | Y | X1 | |
| ≤500V | >500V | ||||||||||||||||||
| CJX2-F630,620 | 636 | 80 | 138 | 89 | 40 | M12 | 210 | 304 | 280 | 264 | 255 | 155 | 180(100/195) | 139 | 180/190 | 10.5 | 68.5 | 20 | 30 |
| CJX2-F6304 | 796 | 80 | 138 | 89 | 40 | M12 | 210 | 304 | 280 | 264 | 255 | 155 | 240(150/275) | 139 | 180/190 | 10.5 | 68.5 | 20 | 30 |
| CJX2-F800 | 636 | 80 | 138 | 89 | 40 | M12 | 210 | 304 | 280 | 264 | 255 | 155 | 180(100/195) | 139 | 180/190 | 10.5 | 68.5 | 20 | 30 |
CJX2-F115N~F330N(Verticalinstallation) ● Tabel 8 (Unit: mm)
| Contactor Model | a | P | Q1 | Q | S | 0 | f | b | P1 | M | C | L | G | H | J | Ø1 | Z | Y | X1 | |
| ≤500V | >500V | |||||||||||||||||||
| CJX2-F115 | 184 | 37 | 60 | 50 | 15 | M6 | 109 | 357-472 | 48-163 | 147 | 171 | 107 | 80 | 120 | 80-195 | 6.5 | 47 | 57 | 10 | 15 |
| CJX2-F1154 | 221 | 37 | 60 | 50 | 15 | M6 | 109 | 357-472 | 48-163 | 147 | 171 | 107 | 80 | 120 | 80-195 | 6.5 | 65.5 | 75.5 | 10 | 15 |
| CJX2-F150 | 84 | 40 | 57 | 47 | 20 | M8 | 109 | 365-480 | 45-160 | 150 | 171 | 107 | 80 | 120 | 80-195 | 6.5 | 47 | 57 | 10 | 15 |
| CJX2-F1504 | 221 | 40 | 55.5 | 45.5 | 20 | M8 | 109 | 365-480 | 45-160 | 150 | 171 | 107 | 80 | 120 | 80-195 | 6.5 | 655 | 75.5 | 10 | 15 |
| CJX2-F185 | 192 | 40 | 59.5 | 52.5 | 20 | M8 | 117 | 389-484 | 61-156 | 154 | 181 | 113.5 | 80 | 120 | 100-195 | 6.5 | 52.5 | 59.5 | 10 | 15 |
| CJX2-F1854 | 232 | 40 | 59.5 | 52.5 | 20 | M8 | 117 | 389-484 | 41-156 | 154 | 181 | 13.5 | 80 | 120 | 100-195 | 6.5 | 72.5 | 79.5 | 10 | 15 |
| CJX2-F225 | 192 | 48 | 51.5 | 44.5 | 25 | M10 | 117 | 412-507 | 43-138 | 172 | 181 | 113.5 | 80 | 120 | 100-195 | 6.5 | 52.5 | 59.5 | 10 | 15 |
| CJX2-F2254 | 232 | 48 | 47.5 | 40.5 | 25 | M10 | 117 | 412-507 | 43-138 | 172 | 181 | 1135 | 80 | 120 | 100-195 | 6,5 | 725 | 79.5 | 10 | 15 |
| CJX2-F265 | 226 | 48 | 66.5 | 63.5 | 25 | M10 | 143 | 448-583 | 47-202 | 178 | 213 | 141 | 96 | 120 | 130-265 | 6,5 | 685 | 61.5 | 10 | 15 |
| CJX2-F2654 | 274 | 48 | 66.5 | 63.5 | 25 | M10 | 143 | 448-583 | 47-202 | 178 | 213 | 141 | 96 | 120 | 130-265 | 6.5 | 92.5 | 85.5 | 10 | 15 |
| CJX2-F330 | 240 | 48 | 74 | 70 | 25 | M10 | 143 | 481-586 | 94-199 | 181 | 219 | 145 | 96 | 120 | 160-265 | 6,5 | 78.5 | 65.5 | 10 | 15 |
| CJX2-F3304 | 288 | 48 | 74 | 70 | 25 | M10 | 143 | 481-586 | 94-199 | 181 | 219 | 145 | 96 | 120 | 160-265 | 6.5 | 102.5 | 89.5 | 10 | 15 |
CJX2-F400N~F500N(Vertical installation) ● Tabel 9 (Unit: mm)
| Contactor Model | a | P | Q1 | Q | S | Ø | f | b | P1 | M | c | L | G | G1 | H | J | Ø1 | z | Y | X1 | |
| ≤500V | >500V | ||||||||||||||||||||
| CJX2-F400 | 240 | 48 | 74 | 70 | 25 | M10 | 151 | 481-586 | 94-199 | 181 | 219 | 145 | 80 | 170 | 180 | 156 | 8.5 | 50.5 | 19.5 | 15 | 20 |
| CJX2-F4004 | 288 | 48 | 74 | 70 | 25 | M10 | 151 | 481-586 | 94-199 | 181 | 219 | 145 | 80 | 170 | 180 | 156 | 8.5 | 50.5 | 67.5 | 15 | 20 |
| CJX2-F500 | 261 | 55 | 77 | 74 | 30 | M10 | 169 | 533-618 | 87-172 | 208 | 232 | 146 | 80 | 170 | 180 | 156 | 8.5 | 51.5 | 39.5 | 15 | 20 |
| CJX2-F5004 | 316 | 55 | 77 | 74 | 30 | M10 | 169 | 533-618 | 87-172 | 208 | 232 | 146 | 140 | 230 | 180 | 156 | 8.5 | 51.5 | 34.5 | 15 | 20 |
CJX2-F630N~F800N(Vertical installation) ● Tabel 10 (Unit: mm)
| Contactor Model | a | P | Q1 | Q | S | Ø | f | b | P1 | M | c | L | G | H | J | Ø1 | Z | Y | X1 | |
| ≤500V | >500V | |||||||||||||||||||
| CJX2-F630 | 309 | 80 | 89 | 60 | 40 | M12 | 210 | 669-684 | 101-116 | 264 | 255 | 155 | 180(100/195) | 190 | 180-195 | 10.5 | 60.5 | 68.5 | 20 | 30 |
| CJX2-F6304 | 389 | 80 | 89 | 60 | 40 | M12 | 210 | 669-684 | 106-116 | 264 | 255 | 155 | 240(150/275) | 190 | 180-195 | 10.5 | 60.5 | 68.5 | 20 | 30 |
| CJX2-F800 | 389 | 80 | 89 | 60 | 40 | M12 | 210 | 669-684 | 106-116 | 264 | 255 | 155 | 180(100/195) | 190 | 180-195 | 10.5 | 60.5 | 68.5 | 20 | 30 |
CJX2-F780N(Vertical installation) ● Tabel 11 (Unit: mm)
| Contactor Model | a | P | Q1 | Q | S | Ø | f | b | P1 | M | H | c | L | G | G1 | H | Ø1 | Z | Y | X1 | |
| ≤500V | >500V | ||||||||||||||||||||
| CJX2-F780 | 704 | 160 | 192 | 192 | 60 | M12 | 201 | 439 | 81-101 | 400-438 | 202 | 225 | 165 | 240 | 180 | 10.5 | 91 | 133 | 20 | 30 | |
| CJX2-F7804 | 864 | 160 | 192 | 192 | 60 | M12 | 201 | 439 | 81-101 | 400-438 | 202 | 225 | 165 | 240 | 190 | 180 | 10.5 | 91 | 133 | 20 | 30 |
6.Ordering Instructions
When placing an order, you should point out the below:
Product name and model, rated operational voltage and frequency of coil, order quantity
Ordering example: Reversing Contactor CJX2-40N AC 220V 50Hz 60PCS.